產品
Products
綜述
igbt模塊中統稱的一單元便是單管,二單元便是單個橋臂,四單元便是單相橋(H橋),六單元便是三相橋,七單元是由是六單元+制動單元,八單元是六單元+制動單元+預充電單元。四單元igbt模塊模塊,又稱之為全橋模塊使用支持高頻開關的第2代快速igbt模塊和NTC溫度檢測。
亮點
特征描述
1、高功率密度
2、完善的Easy模塊理念
3、集成化溫度傳感器可供選擇
4、低雜散電感模塊設計
5、模塊符合標準RoHS
產品優勢
1、緊湊型模塊的理念
2、優化開發周期,控制成本
3、靈便的配置
4、快速、可靠和低成本的組裝理念
1、高功率密度
2、完善的Easy模塊理念
3、集成化溫度傳感器可供選擇
4、低雜散電感模塊設計
5、模塊符合標準RoHS
產品優勢
1、緊湊型模塊的理念
2、優化開發周期,控制成本
3、靈便的配置
4、快速、可靠和低成本的組裝理念
詳情
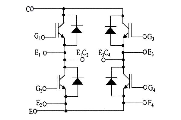
全橋模塊的內部結構等效電路如圖4所示。

圖4全橋模塊內部結構等效電路
全橋(Fullbridge)模塊也稱之為4in1模塊,用來直接構造全橋線路;也能夠用模塊中的2個半橋電路并接構造電流規格大2倍的半橋模塊,即分別將G1和G3、G2和G4、E1和E3、E2和E4、E1C2和E3短接。
以上所述便是igbt模塊功率模塊廠商傳承電子對其功率模塊的說明,傳承電子是一家以電力電子技術為專業領域的功率半導體功率模塊生產商,為各的企業公司供應功率半導體功率模塊的制定、制造和加工,此外還為各企業供應來料代工生產或貼牌加工業務。主要產品有:IGBT功率模塊、晶閘管(可控硅)功率模塊、超快恢復外延二極功率模塊、單相整流橋功率模塊、三相整流橋功率模塊、整流二極管功率模塊、肖特基二極管功率模塊等功率半導體元器件。
產品







